pinion de blocare conic simplex tip B lanț standard ISO

Acest model utilizează un butuc conic și un orificiu conic corespunzător, care permite montarea sigură a pinionului pe arbore cu ajutorul bucșelor de blocare conice, fără a crea joc.
Model: pinion de blocare conic tip B 20B-1
Material: C45, inox: C45, oțel inoxidabil, oțel călit, etc.
Tratament de suprafață: Dinți căliți, oxid negru, placat cu zinc, electroforeză etc.

Descriere

Pinion cu bucșă de blocare conică 20B-1este proiectată pentru performanțe ridicate și durabilitate în sistemele de transmisie a puterii. Bucșa conică de blocare asigură o potrivire mecanică de interferență între butucul pinionului și arbore, rezultând o conexiune puternică și fiabilă.

Caracteristici principale

  • Potrivire prin interferență mecanică:Asigură o conexiune sigură pentru o transmisie de putere lină și eficientă.
  • Funcționare eficientă:Reduce pierderea de energie și îmbunătățește eficiența generală a sistemului.
  • Durată de viață extinsă:Construcția durabilă minimizează nevoile de întreținere și înlocuire, reducând timpii morți și costurile.
  • Forma precisă a dinților:Garantează angajarea optimă a lanțului, reducând frecarea și zgomotul pentru o funcționare mai lină.
  • Materiale de înaltă calitate:
    • Oțel C45:Echilibrează rezistența și economia.
    • Oțel inoxidabil:Oferă o rezistență excelentă la coroziune pentru medii dificile.
    • Oțel călit:Tratat termic pentru rezistență sporită la uzură și durată lungă de viață.

Specificații tehnice

  • Nr. ISO:20B-1 (1 1/4″ x 3/4″)
  • Pas:31,75 mm
  • Lățime interioară:19,56 mm
  • Diametrul rolelor:19,05 mm
  • Lățimea dinților:18,5 mm
  • Ba:3,5 mm (lățimea razei)
  • Rx:32 mm (raza minimă a dintelui)

Avantaje

  • Conexiune puternică, fiabilă pentru sisteme de înaltă performanță
  • Reducerea fricțiunii, a zgomotului și a costurilor de întreținere
  • Alegeri versatile de materiale pentru diverse medii
  • Prelungește durata de viață a pinionilor și lanțurilor

Alegeți pinionul cu bucșă de blocare conică 20B-1 pentru durabilitate, eficiență și fiabilitate premium în aplicațiile dvs. de transmisie a puterii.

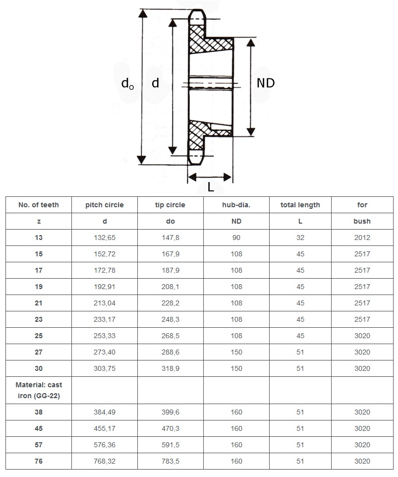
Parametrii tehnici

pinion de blocare conic simplex 20B-1 tabel tehnic

simplex pinion de blocare conic 20B-1 tabel tehnic